![]() |
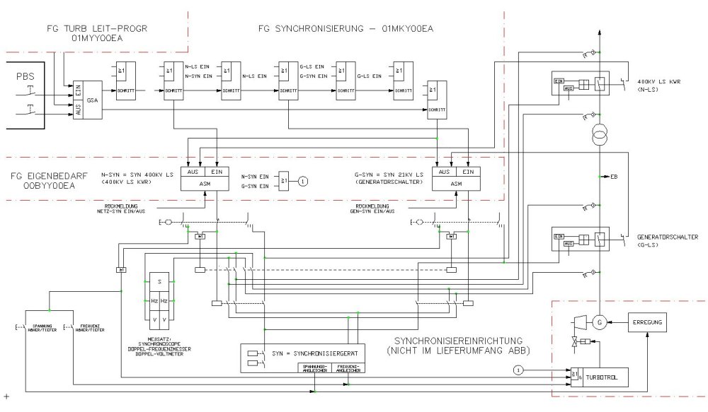
| Kraftwerk Rostock Synchronisierung (Parallelschaltung) der Turbogruppe mit dem Netz Prinzipschaltbild Das obige Bild zeigt die Ansteuerung des Synchronisiergerätes (Parallelschaltgerätes) von der ABB-Leittechnik aus. Das Synchronisiergerät wurde in diesem Fall von der Firma SIEMENS geliefert. Das Bild diente zur Abstimmung mit allen Beteiligten Firmen. Der Generator (rechts im Bild) ist über die beiden Leistungsschalter - Generatorschalter (sitzt in der Generatorableitung zwischen Generator und Maschinentrafo) - 400kV LS KWR (= Netzleistungsschalter: zwischen Maschinentrafo und Netz) mit dem Netz verbunden. Beim Inselbetrieb Netzleistungsschalter aus und Generatorschalter ein befindet sich die Turbogruppe im Eigenbetrieb (EB). Die Turbogruppe versorgt jetzt nur noch den eigenen Kraftwerksblock mit elektrischer Energie. Eckhard Schmidt - Kappeln |